Система охлаждения двигателя (рис.1) жидкостная, закрытого типа, с принудительной циркуляцией охлаждающей жидкости
Она состоит из следующих основных элементов; радиатора, расширительного бачка, водяного насоса 7, вентилятора, термостатов 2 и дистанционного термометра

Схема системы охлаждения: 1 - выпуск воздуха при заполнении системы охлаждения во время прогрева пусковым подогревателем: 2 - термостат; 3 - отвод охлаждающей жидкости в радиатор; 4 - трубка перепускная; 5 - подвод жидкости к компрессору пневмотормозов; 6 - подвод охлаждающей жидкости из радиатора; 7 - водяной насос; 8 - отверстие для установки датчика термометра; 9 - отвод горячей воды к отопителю кабины
При работающем двигателе циркуляция охлаждающей жидкости в системе охлаждения создается центробежным насосом.
Насос забирает жидкость из нижнего бачка радиатора и нагнетает ее через каналы в крышке шестерен распределения в правую и левую водяные рубашки блока цилиндров.
Здесь жидкость омывает наружную поверхность гильз цилиндров, поглощая тепло, нагревается, затем из блока цилиндров поступает в водяные рубашки головок цилиндров и в первую очередь к наиболее нагревающимся местам выпускным клапанам и стаканам форсунок.
Из рубашки охлаждения головок цилиндров жидкость поступает в водосборные трубопроводы, а из них через проходы в термостатах в радиатор, где отдает тепло потоку воздуха, создаваемому вентилятором.
Охлажденная в радиаторе жидкость вновь поступает к водяному насосу.
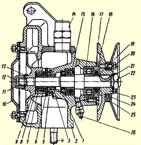
Водяной насос (рис. 2). Лопастный, центробежного типа - для предотвращения попадания жидкости в полость со смазкой устанавливают манжету 8 из маслобензостойкой резины, которая обоймами прижимается к валу, а пружиной к текстолитовому упорному кольцу 6.

Водяной насос: 1 - сальник; 2 - корпус насоса; 3 - втулка; 4 - шпилька крепления подводящего патрубка; 5 - стопорное кольцо сальника: 6 - упорное кольцо сальника; 7 - пружина сальника; 8 - манжета сальника; 9 - крыльчатка; 10 - крышка; 11 - валик; 12 - гайка; 13 стопорная шайба; 14 - перепускной ниппель трубки водяных термостатов; 15,16- шарикоподшипники; 17 - прокладки; 18 - корпус сальника; 19 - втулка сальника; 20 - гайка крепления боковины шкива; 21 - замковая шайба; 22 - гайка; 23 - ступица шкива; 24 - боковина шкива; 25 - регулировочные прокладки; 26 - пресс-масленка
Радиатор трубчато-ленточный (змейковый) с трубками овального сечения, трехрядный, устанавливается на раму через резиновые подушки.
На расширительном бачке установлена пробка с паровоздушным клапаном. Выпускной клапан пробки открывается при избыточном давлении 0,5 кгс/см², что соответствует закипанию воды около 119˚ С.
Впускной клапан пробки открывается при падении давления в системе до 0,13 кгс/см².

Привод шторки радиатора: 1 - бачок расширительной системы охлаждения двигателя; 2 - радиатор системы охлаждения двигателя; 3 - горловина водоналивная; 4 - трос привода шторки; 5 - щуп масломерный; 6 - радиаторы масляные; 7 - краник для отключения масляных радиаторов; 8 - шторка; 9 - барабан; 10 - горловина маслозаливная; 11 - направляющая кронштейна барабана; 12 - ось; 13 - пружина; 14 - кронштейн барабана
Термостаты служат для ускорения прогрева холодного двигателя и предохранения его от переохлаждения в пути.
Когда температура жидкости системы охлаждения снижается до 70˚ С, термостаты автоматически направляют весь ее поток непосредственно к водяному насосу по так называемому малому кругу циркуляции, минуя радиатор, и тем самым создают благоприятные условия для ее быстрого прогрева.
Шторка радиатора может фиксироваться в любом промежуточном положении и управляется из кабины водителя.
Вентилятор шестилопастной, с шестеренным приводом, вращается в кожухе радиатора.
Техническое обслуживание системы охлаждения
Для обеспечения нормальной работы системы охлаждения необходимо:
- - заполнять систему охлаждения специальной всесезонной жидкостью тосол-А 40 (состав по объему: тосол-А - 56%, чистая вода — 44%) или тосолА65 (тосол-А - 65%, чистая вода — 35%).
- - заливать жидкость через воронку с сеткой, пользуясь чистой посудой;
- - следить за температурой охлаждающей жидкости, которая должна быть в пределах 75—98 ˚ С;
- - регулярно проверять уровень охлаждающей жидкости через горловину пробки на расширительном бачке и при необходимости доливать. Замер производить при холодном двигателе. Минимальный уровень охлаждающей жидкости должен быть 10 мм от днища расширительного бачка;
- - в летнее время года следить за состоянием воздушных каналов сердцевины радиатора и обязательно прочищать их при значительной засоренности. Чистку можно производить струей сжатого воздуха, направляемой в воздушные каналы сердцевины радиатора со стороны кожуха;
- - своевременно смазывать подшипники водяного насоса.
Проверка герметичности системы
Значительная часть неисправностей в системе охлаждения происходит из-за утечки охлаждающей жидкости.
Наиболее вероятными местами подтекания являются сальники водяного насоса, соединения шлангов с патрубками и трубок радиатора с его бачками, а также спускные краники.
Герметичность системы охлаждения следует проверять ежедневно.
При неисправном сальниковом уплотнении крыльчатки водяного насоса жидкость будет вытекать наружу через дренажное отверстие на корпусе, что предохранит подшипники вала насоса от разрушения.
Не разрешается устранять течь жидкости из насоса закупоркой дренажного отверстия. Насос с неисправным сальником необходимо ремонтировать.
Подтекание в местах сопряжения шлангов устраняется подтяжкой хомутиков, а при повреждении шлангов - их заменой.
Регулировка натяжения приводного ремня водяного насоса.
Нормально натянутый ремень при нажатии большим пальцем руки на середину ремня с усилием 3 кгс должен прогибаться на 10 — 15 мм.
Натяжение ремня регулируют прокладками.
При слабом натяжении ремня нужно отвернуть гайки крепления боковины шкива и снять одну - две регулировочные прокладки, поставить их на наружную сторону боковины и завернуть гайки, проворачивая после подтяжки каждой гайки, затем проверить натяжение ремня.
Регулировочные прокладки снимать со шкива не следует, так как при замене старого ремня новым все прокладки необходимо снова установить между ступицей и съемной боковиной шкива.
Проскальзывание ремня может происходить из-за попадания на него масла. В этом случае замасленный ремень протирают тряпкой, слегка смоченной в бензине.
Промывка системы охлаждения
С целью удаления накипи, ржавчины и осадков систему охлаждения необходимо промывать. Когда отложения накипи незначительны, для промывки можно использовать промывочный пистолет.
Двигатель и радиатор промывают отдельно. Чтобы ржавчина, накипь и осадок из рубашки охлаждения двигателя не засоряли радиатор, термостаты перед промывкой с двигателя снимают.
Направление струи должно быть обратным направлению движения воды при нормальной циркуляции.
Перед промывкой радиатора следует убедиться в том, что он не засорен, так как в противном случае сильная струя воды может вызвать повреждение радиатора.
При промывке шланги радиатора отсоединяют от двигателя и при закрытой пробке подводят воду сначала к верхнему патрубку радиатора, чтобы удалить грязь, скопившуюся в нижнем бачке, а затем изменяют направление потока воды на обратное и промывают до тех пор, пока выходящая из верхнего бачка вода не будет совершенно чистой.
Накипь из системы охлаждения удаляют раствором технического трилона Б (ТУ 6431-71) в воде (20 грамма трилона на 1 литр воды).
Трилон — порошок белого цвета, не ядовит, легко растворяется в воде, не вызывает вспенивания воды при ее нагревании и кипении. Излишнее количество трилона не вредит деталям системы охлаждения.
Раствор трилона заливают в систему охлаждения.
После 1 дня работы двигателя (не менее 6-7 ч) отработавший раствор сливают и заливают свежий. Промывка продолжается 4 — 5 дней.
При отсутствии трилона Б накипь из системы охлаждения допускается удалять раствором, состоящим из кальцинированной (стиральной) соды в количестве 0,5 кг на 10 литр воды и керосина 1,0 кг на 10 литров воды.
Раствор залейте в систему охлаждения на 24 часа, из которых двигатель не менее 8 часов должен работать на эксплуатационном режиме, после чего слейте раствор в горячем состоянии, а после охлаждения двигателя промойте систему охлаждения чистой водой.