• Авторук
    • Карта
  • Системы
    • Схемы
    • Двигатели
    • ВАЗ-2108-2170
    • ВАЗ-2101-2107
    • Лада Приора
    • Лада Калина
    • ВАЗ-2121
    • ВАЗ-2110
    • Лада-Ларгус
    • Lada Xray
    • Лада Веста
    • Лада Гранта
    • ГАЗ-3110 (Волга)
    • ГАЗ-2705
    • ГАЗ-66
    • Соболь
    • Камаз
    • ЗИЛ-131
    • МАЗ
    • ПАЗ
    • ЗИЛ-5301
    • Урал
    • УАЗ-Патриот
    • УАЗ 3151
    • Нива Шевролет
    • Peugeot 307
    • Все по Форд Таурус
    • Опель Корса
    • Grand Cherokee
    • VW-Passat
    • Авео Шевролет
    • Mitsubishi Lancer
  • поиск

Выберите язык

  • Русский (Россия)
  • Қазақша (kk-KZ)
  • Українська (Україна)
  • Español (España)
  • German (DE)
  • English (UK)

VW Passat

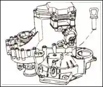
Установка КПП VW Passat

Перед установкой проверить сцепление. Проверить легкость хода выжимного подшипника сцепления. Внимание: подшипник только выти­рать, не промывать

  1. Установка радиоприемника на VW Passat
  2. Устранение дисбаланса управления VW Passat
  3. Устранение скрипа тормозов VW Passat
  4. Устройство ABS VW Passat
  5. Фары и указатели поворотов VW Passat
  6. Электромагнитный выключатель насоса VW Passat

Страница 107 из 113

  • 102
  • 103
  • 104
  • 105
  • 106
  • 107
  • 108
  • 109
  • 110
  • 111