1 - Пульт управления С выключателем вентилятора отопителя.
2 - Лампа для подсвета пульта управления
3 - Световод,
4 - Колпак

Снятие
Снять центральную консоль.
Если необходимо, снять ручки с органов управления отопителя. Для замены лампы сжать и вытащить зеленую вставку.

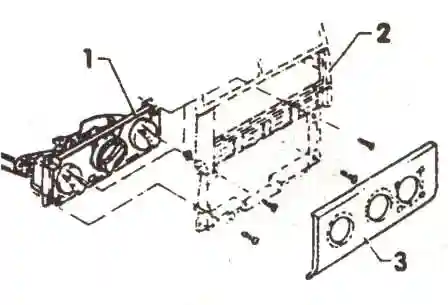
Снять фальшпанель (3).
Отвернуть винты накладки (2).
Утопить пульт в панель управления и вынуть его через низ с подключенными тягами.
Отсоединить тяги управления отопителем.
Установка
Подсоединить тяги управления отопителя.
Вставить и закрепить винтами пульт управления отопителя.
Установить фальшпанель.
Если снимались, установить ручки органов управления.
Установить центральную консоль.