Снятие и установка тормозного барабана VW Passat
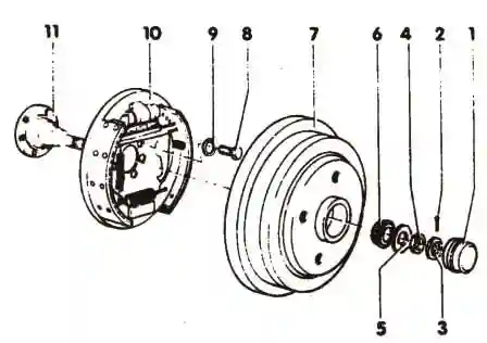
1 - Колпачок
2 - Шплинт
3 - Корончатая контргайка
4 - Шестигранная гайка. Регулировка люфта подшипников
5 - Нажимная шайба
6 - Наружный подшипник
7 - Тормозной барабан. Внутренний диаметр 200 или 230 мм в зависимости от модели. Граница износа:201 или 231 мм.
Допуск на боковое биение на уровне колесных болтов: 0.2 мм.
Радиальное биение рабочей поверхности: 0.05 мм.
Тщательно очистить барабан, проверить износ, целостность, соответствие размеров, состояние резьбы и рабочей поверхности.
Ступицу заполнить универсальной смазкой.

8 - Шестигранный болт, 60 Нм
9 - Тарельчатая пружинная шайба. Большая поверхность прилегания обращена к тормозному щиту.
10 - Тормозной щит с тормозными колодками. Перед снятием барабана свести тормозные колодки.
11 - Цапфа
Снятие

Освободить колесные болты, поднять автомобиль, снять колесо.
Отвести тормоз. Для этого отверткой через резьбовое отверстие нажать наверх на клин самоустанавливающегося тормоза до упора.
Снять колпак.
Вытащить шплинт, снять корончатую контровку, отвернуть гайку, снять нажимную шайбу.
Вынуть наружный подшипник.
подшипник может выпасть, поэтому заранее подложить тряпку. При необходимости добавить литиевой смазки.
Снять тормозной барабан. При необходимости использовать универсальный съемник.
Вынуть сальник и внутренний подшипник, если он не снялся вместе барабаном.
Установка
Тщательно очистить тормозной барабан. Проверить износ, целостность, соответствие размеров, состояние резьбы и рабочей поверхности. Ступицу заполнить универсальной смазкой.
Вставить внутренний подшипник вместе со смазкой для подшипников в тормозной барабан, забить резиновым молотком сальник. Перед этим слегка смазать резиновые губки.
Надеть тормозной барабан.
Наружный подшипник смазать смазкой для колесных подшипников и надеть на цапфу.
Навернуть гайку с нажимной шайбой.
Отрегулировать люфт подшипников.
Установить корончатую контргайку так, чтобы можно было вставить шплинт. Применять только новые шплинты.
Осторожно поставить колпак.
Поставить заднее колесо, опустить автомобиль, затянуть колесные болты усилием 110 Нм.
Несколько раз сильно нажать на педаль тормоза для установки колодок в рабочее положение.