Снятие и установка комплекта приборной доски VW Passat
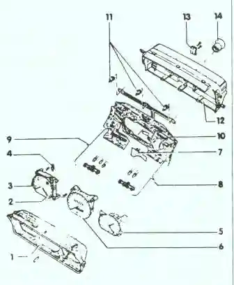
Указание: на рисунке показан комплект приборной доски со стрелочными кварцевыми часами.
1 - Передняя крышка
2 - Указатель запаса топлива
3 - Указатель. Температуры охлаждающей жидкости и недостатка охлаждающей жидкости.

4 - Стабилизатор напряжения
5 - Кварцевые часы
6 - Спидометр
7 - Блок управления
Контроль давления масла
8 - Контрольные лампы правые
9 - Контрольные лампы левые
10 - Гибкая печатная плата
11 - Лампа. С патроном для подсветки комплекта приборной доски; 12 В, 1.2. Вт
12 - Корпус
13 - Контактная плата
Для датчика Холла и индуктивного датчика. С датчика Холла или индуктивного датчика снимаются сигналы скорости для различного дополнительного оборудования.
Датчик Холла устанавливается на автомобилях, оборудованных мультифункциональнои индикацией (MFA) и системой регулирования скорости (GRA) и/или автоматической регулировкой громкости громкоговорителей (GALA).
Индуктивный датчик ставится на автомобили без MFA, с GRA и /или GALA. Тот или иной датчик устанавливается с задней стороны спидометра.
Соединение с ленточным кабелем осуществляется через пружинные контакты датчика.
14 - Бандажная втулка для валика спидометра.
Снятие
Внимание: Все элементы комплекта приборной доски, кроме ленточного кабеля, можно снимать по отдельности, не снимая корпуса.
Снять массу в аккумулятора.
Снять рулевое колесо.
Отвернуть щиток (стрелки) и вынуть из приборной доски

На рисунке показан комплект приборной доски с мультифункциональнои индикацией и тахометром, с августа 1990 г.

Отвернуть крепежные винты слева и справа 2.
Откинуть комплект приборной доски и правой стороной вытащить из корпуса приборной доски.
Отключить разъем с задней стороны корпуса.
Освободить винты 1 прозрачной крышки.