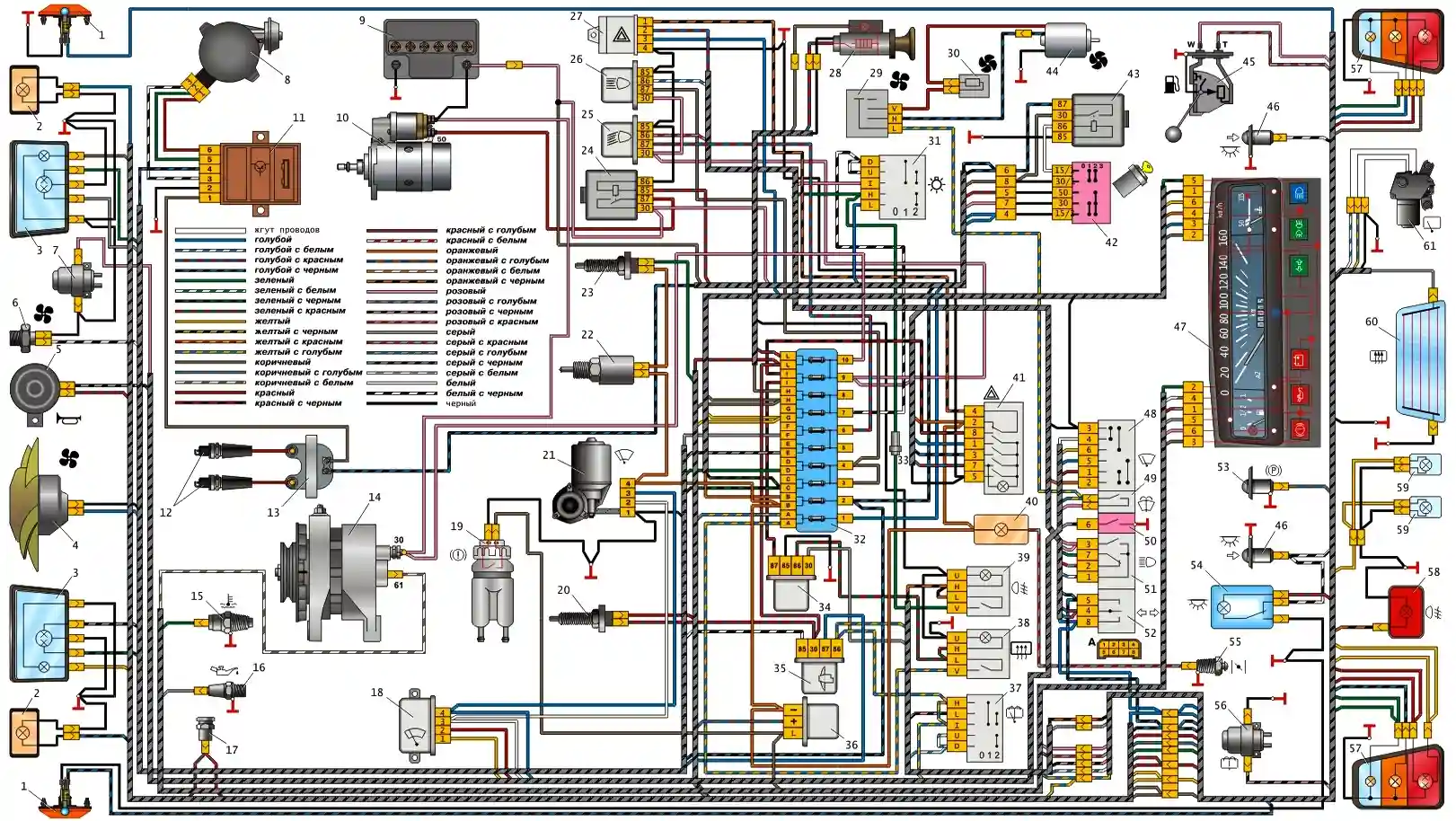
Схема электрооборудования автомобиля ОКА
1 – боковой повторитель указателя поворота; 31 – выключатель наружного освещения; 2 – передний указатель поворота; 32 – блок предохранителей; 3 – фара; 33 – предохранитель цепи противотуманного фонаря; 4 – электродвигатель вентилятора системы охлаждения; 34 – реле включения обогрева заднего стекла; 5 – звуковой сигнал; 35 – реле включения электродвигателя вентилятора системы охлаждения; 6 – датчик включения электродвигателя вентилятора; 36 –реле-прерыватель контрольной лампы включения стояночного тормоза; 7 – электродвигатель омывателя ветрового стекла; 37 – выключатель очистителя и омывателя заднего стекла; 8 – датчик момента искрообразования; 38 – выключатель обогрева заднего стекла; 9 – аккумуляторная батарея; 39 – выключатель заднего противотуманного фонаря; 10 – стартер; 40 – контрольная лампа прикрытия воздушной заслонки карбюратора; 11 – коммутатор; 41 –выключатель аварийной сигнализации; 12 – свечи зажигания; 42 – выключатель зажигания; 13 –катушка зажигания; 43 – реле зажигания; 14 – генератор; 44 – электродвигатель вентилятора отопителя; 15 – датчик указателя температуры охлаждающей жидкости; 45 – датчик указателя уровня топлива; 16 – датчик контрольной лампы недостаточного давления масла; 46 – выключатель плафона в стойке двери; 17 – розетка для переносной лампы; 47 – комбинация приборов; 18 – реле стеклоочистителя; 48 – переключатель очистителя ветрового стекла; 19 – датчик уровня тормозной жидкости; 49 – выключатель омывателя ветрового стекла; 20 – выключатель сигнала торможения; 50 – выключатель звукового сигнала; 21 – электродвигатель очистителя ветрового стекла; 51 – переключатель света фар; 22 – электромагнитный клапан карбюратора; 52 – переключатель указателей поворота; 23 – выключатель света заднего хода; 53 – выключатель контрольной лампы включения стояночного тормоза; 24 – реле включения стартера; 54 – плафон освещения салона; 25 – реле включения ближнего света фар; 55 – выключатель контрольной лампы прикрытия воздушной заслонки карбюратора; 26 – реле включения дальнего света фар; 56 – электродвигатель омывателя стекла задней двери; 27 – реле-прерыватель аварийной сигнализации и указателей поворота; 57 – задний фонарь; 28 – прикуриватель; 58 – задний противотуманный фонарь; 29 – переключатель вентилятора отопителя; 59 – фонарь освещения номерного знака; 30 – дополнительный резистор электродвигателя отопителя; 60 – элемент обогрева стекла задней двери; 61 – электродвигатель очистителя стекла задней двери; А – порядок нумерации контактов в соединительных колодках
