Схемы комбинации приборов Авео Шевролет

Схема(а). Комбинация приборов: а — предохранитель в панели приборов; 2 — комбинация приборов; 3— электронный блок управления двигателем; 4—топливный насос

Схема(б) . комбинация приборов: 1 — предохранитель в моторном отсеке; 2,3 — предохранитель в панели приборов;4— комбинация приборов; 5 — генератор; 6 — электронный блок управления двигателем; 7 — датчик уровня топлива

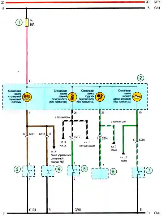
Схема(в) Комбинация приборов:1- предохранитель в панели приборов;2- дополнительный дисплей в панели приборов; 3- датчик уровня тормозной жидкости; 4-выключатель стояночного тормоза; 5-выключатель ремней безопасности;6 -электронный блок управления двигателем; 7-датчик давления масла

Схема(г) Комбинация приборов: 1,2- предохранители в моторном отсеке;3 -предохранитель в панели приборов; 4- комбинация приборов; 5- выключатели дверей