Код Р2123 Цепь датчика положения педали А, высокий уровень сигнала
Код Р2123 заносится, если:
- - зажигание включено;
- - сигнал датчика положения педали акселератора А (UPWG1ROH) больше 4,6 В в течение 0,2 с.
Сигнализатор неисправностей загорается через 5 c после возникновения кода неисправности.

Описание проверок
Последовательность соответствует цифрам на карте.
- 1 С помощью диагностического прибора проверяется, активен ли код Р2123 в момент диагностики.
- 2 Выполняется проверка напряжения в сигнальной цепи ДППА А с отключенным датчиком. Напряжение должно быть около 0 В.
- 3 Выполняется проверка цепи массы ДППА А на наличие обрыва.
- 4 Повторно выполняется проверка напряжения в сигнальной цепи ДППА А после замены контроллера.
Диагностическая информация
При обнаружении неисправности цепи ДППА А система управления двигателем будет работать в аварийном режиме до конца текущей поездки.
Возможны следующие аварийные режимы:
- - ограничение мощности двигателя, если исправна цепь ДППА В;
- - холостой ход, если неисправны цепи ДППА А и ДППА В.
Диагностический прибор в режиме "1 - Параметры; 6 - Доп. Параметры; 3 - Входы АЦП" показывает сигналы ДППА А (UPWG1ROH) и ДППА В (UPWG2ROH) в вольтах.
Сигналы ДППА А и ДППА В увеличиваются пропорционально нажатию педали акселератора. При любом положении педали акселератора сигнал ДППА А должен быть в два раза больше сигнала ДППА В.
При отпущенной педали акселератора сигнал ДППА А должен находится в диапазоне 0,46…0,76 В, сигнал ДППА В должен находится в диапазоне 0,23…0,38 В.
Для расчета положения педали акселератора, выраженного в процентах (WPED), используется минимальный сигнал из UPWG1ROH и 2 × UPWG2ROH.
При каждом включении зажигания, контроллер определяет нулевое положение педали акселератора. Положение 100 % достигается при напряжении 2,30 В / 1,15 В с датчика ДППА А / ДППА В.

Код Р2127 Цепь датчика положения педали В, низкий уровень сигнала

Код Р2127 заносится, если:
- - зажигание включено;
- - сигнал датчика положения педали акселератора В (UPWG2ROH) меньше 0,16 В в течение 0,2 с.
Сигнализатор неисправностей загорается через 5 c после возникновения кода неисправности.
Описание проверок
Последовательность соответствует цифрам на карте.
- 1 С помощью диагностического прибора проверяется, активен ли код Р2127 в момент диагностики.
- 2 Выполняется проверка контроллера: на контакт "1" колодки к ДППА должно поступать опорное напряжение 5 В с контроллера.
- 3 Выполняется проверка сигнальной цепи на наличие обрыва или замыкания на массу.
- 4 Выполняется проверка контроллера: при перемыкании контактов "1" и "6" колодки к ДППА с помощью пробника сигнал ДППА В на диагностическом приборе должен изменяться.
Диагностическая информация
При обнаружении неисправности цепи ДППА В система управления двигателем будет работать в аварийном режиме до конца текущей поездки.
Возможны следующие аварийные режимы:
- - ограничение мощности двигателя, если исправна цепь ДППА А;
- - холостой ход, если неисправны цепи ДППА А и ДППА В.
Диагностический прибор в режиме "1 - Параметры; 6 - Доп. Параметры; 3 - Входы АЦП" показывает сигналы ДППА А (UPWG1ROH) и ДППА В (UPWG2ROH) в вольтах.
Сигналы ДППА А и ДППА В увеличиваются пропорционально нажатию педали акселератора. При любом положении педали акселератора сигнал ДППА А должен быть в два раза больше сигнала ДППА В.
При отпущенной педали акселератора сигнал ДППА А должен находится в диапазоне 0,46…0,76 В, сигнал ДППА В должен находится в диапазоне 0,23…0,38 В.
Для расчета положения педали акселератора, выраженного в процентах (WPED), используется минимальный сигнал из UPWG1ROH и 2 × UPWG2ROH.
При каждом включении зажигания, контроллер определяет нулевое положение педали акселератора. Положение 100 % достигается при напряжении 2,30 В / 1,15 В с датчика ДППА А / ДППА В.

Код Р2128 Цепь датчика положения педали В, высокий уровень сигнала

Код Р2128 заносится, если:
- - зажигание включено;
- - сигнал датчика положения педали акселератора В (UPWG2ROH) больше 2,3 В в течение 0,2 с.
Сигнализатор неисправностей загорается через 5 c после возникновения кода неисправности.
Описание проверок
Последовательность соответствует цифрам на карте.
- 1 С помощью диагностического прибора проверяется, активен ли код Р2128 в момент диагностики.
- 2 Выполняется проверка напряжения в сигнальной цепи ДППА В с отключенным датчиком. Напряжение должно быть около 0 В.
- 3 Выполняется проверка цепи массы ДППА В на наличие обрыва.
- 4 Повторно выполняется проверка напряжения в сигнальной цепи ДППА В после замены контроллера.
Диагностическая информация
При обнаружении неисправности цепи ДППА В система управления двигателем будет работать в аварийном режиме до конца текущей поездки.
Возможны следующие аварийные режимы:
- - ограничение мощности двигателя, если исправна цепь ДППА А;
- - холостой ход, если неисправны цепи ДППА А и ДППА В.
Диагностический прибор в режиме "1 - Параметры; 6 - Доп. Параметры; 3 - Входы АЦП" показывает сигналы ДППА А (UPWG1ROH) и ДППА В (UPWG2ROH) в вольтах.
Сигналы ДППА А и ДППА В увеличиваются пропорционально нажатию педали акселератора. При любом положении педали акселератора сигнал ДППА А должен быть в два раза больше сигнала ДППА В.
При отпущенной педали акселератора сигнал ДППА А должен находится в диапазоне 0,46…0,76 В, сигнал ДППА В должен находится в диапазоне 0,23…0,38 В.
Для расчета положения педали акселератора, выраженного в процентах (WPED), используется минимальный сигнал из UPWG1ROH и 2 × UPWG2ROH.
При каждом включении зажигания, контроллер определяет нулевое положение педали акселератора. Положение 100 % достигается при напряжении 2,30 В / 1,15 В с датчика ДППА А / ДППА В.

Код Р2135 Датчики "А" / "В" положения дроссельной заслонки, рассогласование сигналов

Код Р2135 заносится, если:
- - зажигание включено;
- - сигналы ДПДЗ А и ДПДЗ В отличаются более чем на 6% в течение 0,3 с.
Сигнализатор неисправностей загорается через 5 c после возникновения кода неисправности.
Описание проверок
Последовательность соответствует цифрам на карте.
- 1 С помощью диагностического прибора проверяется, активен ли код Р2135 в момент диагностики.
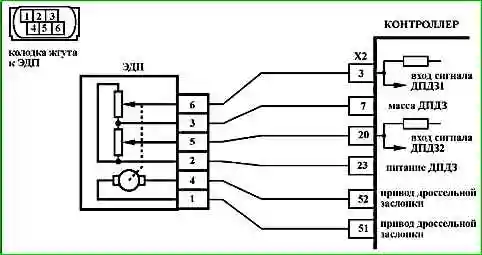
- 2 Выполняется проверка цепей ДПДЗ А и ДПДЗ В на наличие обрыва.
- 3 Измеряется сопротивление сигнальных цепей ДПДЗ А и ДПДЗ В (контакты "6" и "5") относительно массы автомобиля.
- 4 Измеряется сопротивление цепи массы ДПДЗ (контакт "1") относительно массы автомобиля.
- 5 Измеряется напряжение в цепях ДПДЗ относительно массы автомобиля.
- 6 Повторно измеряется напряжение в цепях ДПДЗ относительно массы автомобиля при замененном контроллере.
- 7 Повторно измеряется сопротивление сигнальных цепей ДПДЗ А и ДПДЗ В (контакты "6" и "5") относительно массы автомобиля при замененном контроллере.
Диагностическая информация
Диагностический прибор в режиме "1 - Параметры; 6 - Доп. Параметры; 3 - Входы АЦП" показывает сигналы ДПДЗ А (UDKP1) и ДПДЗ В (UDKP2) в вольтах.
При открытии дроссельной заслонки сигнал ДПДЗ А увеличивается, сигнал ДПДЗ В уменьшается.
При полностью закрытой дроссельной заслонке сигнал ДПДЗ А должен находится в диапазоне 0,3…0,6 В, сигнал ДПДЗ В должен находится в диапазоне 4,4…4,7 В.
Сумма сигналов ДПДЗ А и ДПДЗ В должна быть равна (5±0,1) В при любом положении дроссельной заслонки.
Контроллер пересчитывает напряжение сигналов ДПДЗ А и ДПДЗ В в процент открытия дроссельной заслонки.
Диагностический прибор в режиме "1 - Параметры; 1 - Общий просмотр" отображает процент открытия дроссельной заслонки WDKBA, который рассчитывается как среднее арифметическое сигналов ДПДЗ А (%) и ДПДЗ В (%). 0 % соответствует полностью закрытой дроссельной заслонке. 100 % соответствует максимальному открытию дроссельной заслонки.
Для контроля рассогласования используются сигналы ДПДЗ А (%) и ДПДЗ В (%).
При обнаружении рассогласования сигналов ДПДЗ А и ДПДЗ В система управления двигателем будет работать в аварийном режиме до конца текущей поездки.
Возможны следующие аварийные режимы:
- - ограничение мощности двигателя, если контроллер определил, какой из датчиков неисправен;
- - обесточивание электропривода дроссельной заслонки и ограничение оборотов двигателя (2500 об/мин), если контроллер не доверяет сигналам обоих датчиков.
Если электропривод дроссельной заслонки обесточен, с помощью прямой и возвратной пружин дроссельная заслонка удерживается в положении Limp home (7-8%).
В случае замены ЭДП или контроллера ЭСУД, или сброса контроллера с помощью диагностического прибора (режим "5 - Доп. испытания; 1 - Сброс ЭБУ с инициализацией") необходимо выполнить процедуру адаптации нуля дроссельной заслонки.
Для этого на стоящем автомобиле необходимо включить зажигание, выждать 30 с, выключить зажигание, дождаться отключения главного реле.
Адаптация будет прервана, если:
- - прокручивается двигатель;
- - автомобиль движется;
- - нажата педаль акселератора;
- - температура двигателя ниже 5 °С или выше 100 °С;
- - температура окружающего воздуха ниже 5 °С.

Код Р2138 Датчики "А" / "В" положения педали акселератора, рассогласование сигналов

Код Р2138 заносится, если:
- - зажигание включено;
- - уменьшенный в два раза сигнал датчика положения педали акселератора (UPWG1ROH/2) и сигнал датчика положения педали акселератора В (UPWG2ROH) отличаются на величину порога в течение 0,25 с.
Сигнализатор неисправностей загорается через 5 c после возникновения кода неисправности.
Описание проверок
Последовательность соответствует цифрам на карте.
- 1 С помощью диагностического прибора проверяется, активен ли код Р2138 в момент диагностики.
- 2 Выполняется проверка цепей ДППА А и ДППА В на наличие обрыва.
- 3 Измеряется сопротивление сигнальных цепей ДППА А и ДППА В (контакты "4" и "6") относительно массы автомобиля.
- 4 Измеряется сопротивление цепи массы ДППА А и ДППА В (контакты "3" и "5") относительно массы автомобиля.
- 5 Измеряется напряжение в цепях ДППА относительно массы автомобиля.
- 6 Повторно измеряется напряжение в цепях ДППА относительно массы автомобиля при замененном контроллере.
- 7 Повторно измеряется сопротивление сигнальных цепей ДППА А и ДППА В (контакты "4" и "6") относительно массы автомобиля при замененном контроллере.
Диагностическая информация
При обнаружении рассогласования сигналов ДППА А и ДППА В система управления двигателем будет работать в аварийном режиме до конца текущей поездки.
Диагностический прибор в режиме "1 - Параметры; 6 - Доп. Параметры; 3 - Входы АЦП" показывает сигналы ДППА А (UPWG1ROH) и ДППА В (UPWG2ROH) в вольтах.
Сигналы ДППА А и ДППА В увеличиваются пропорционально нажатию педали акселератора.
При любом положении педали акселератора сигнал ДППА А должен быть в два раза больше сигнала ДППА В.
При отпущенной педали акселератора сигнал ДППА А должен находится в диапазоне 0,46…0,76 В, сигнал ДППА В должен находится в диапазоне 0,23…0,38 В.
Для расчета положения педали акселератора, выраженного в процентах (WPED), используется минимальный сигнал из UPWG1ROH и 2 × UPWG2ROH.
При каждом включении зажигания, контроллер определяет нулевое положение педали акселератора. Положение 100 % достигается при напряжении 2,30 В / 1,15 В с датчика ДППА А / ДППА В.

Код Р2176 Система управления приводом дроссельной заслонки, адаптация положения нуля заслонки не выполнена

Код Р2176 заносится, если:
- - зажигание включено;
- - адаптация положения нуля дроссельной заслонки не была выполнена ни разу.
Сигнализатор неисправностей загорается через 5 c после возникновения кода неисправности.
Описание проверок
Последовательность соответствует цифрам на карте.
- 1 С помощью диагностического прибора проверяется, активен ли код Р2176 в момент диагностики. Если код неактивен, и одновременно в памяти контроллера отсутствуют коды Р0122, Р0123, Р0222, Р0223, Р2135, Р1545, Р1558, Р1559, то необходимо стереть код Р2176 с помощью диагностического прибора.
- 2 Выполняется проверка механических и электрических узлов дроссельного патрубка.
- 3 Выполняется проверка цепей управления электроприводом дроссельной заслонки.
Диагностическая информация
При обнаружении неисправности Р2176 система управления двигателем будет работать в аварийном режиме до конца текущей поездки:
- - электропривод дроссельной заслонки обесточен;
- - ограничение оборотов двигателя (до 2500 об/мин в зависимости от положения педали акселератора).
Диагностический прибор в режиме "1 - Параметры; 1 - Общий просмотр" отображает процент открытия дроссельной заслонки WDKBA.
При включении зажигания контроллер проводит:
- - тест возвратной пружины;
- - проверку положения заслонки при обесточенном электроприводе;
- - адаптацию нуля положения дроссельной заслонки;
- - тест прямой пружины.
Если контроллер новый (адаптация проводится в первый раз), то все вышеописанные процедуры выполняются сразу после включения зажигания в течение 1,5 секунд.
Если контроллер был обучен ранее, то сразу после включения зажигания выполняется тест возвратной пружины.
Остальные процедуры будут выполнены в течение следующих 30 секунд, если в это время не будет нарушено ни одно из условий:
- - двигатель не прокручивается;
- - автомобиль не движется;
- - педаль акселератора не нажата;
- - температура двигателя выше 5 °С и ниже 100 °С;
- - температура окружающего воздуха выше 5 °С.
Код Р2176 указывает на то, что первое обучение контроллера было прервано по следующим причинам:
- - нарушение условий проведения адаптации (см. выше);
- - неисправность дроссельного патрубка;
- - неисправность жгута проводов;
- - неисправность контроллера.
Если электропривод дроссельной заслонки обесточен, с помощью прямой и возвратной пружин дроссельная заслонка удерживается в положении Limp home (7-8%).

Код Р2187 Система топливоподачи слишком бедная на холостом ходу

Код P2187 заносится, если:
- - двигатель работает;
- - управление топливоподачей осуществляется в режиме обратной связи по сигналу датчика кислорода (B_LR = "Да");
- - активизирована функция адаптации топливоподачи (B_LRA = "Да");
- - значение параметра MSLEAK выходит за верхний предел допустимого диапазона (больше 5).
Сигнализатор неисправностей загорается на 3-ей поездке после возникновения устойчивой неисправности.
Описание проверок
Последовательность соответствует цифрам на карте.
- 1 Анализируется диагностическая информация.
- 2 На работающем двигателе с помощью диагностического прибора имитируются условия возникновения неисправности.
- 3 Проверяются системы и узлы, неисправность которых может привести к возникновению кода.
- 4 При проведении повторной проверки №2 после устранения возможной причины неисправности значение параметра FR не должно выходить за пределы диапазона 1±0,1.
Диагностическая информация
Неисправность непостоянного характера может быть вызвана наличием следующих неисправностей:
Ненадежное соединение контактов колодок жгута системы зажигания, датчика и контроллера.
Осмотреть разъемы датчика и контроллера, колодки жгута на полноту и правильность сочленения, повреждения замков, наличие поврежденных контактов и качество соединения контактов с проводом.
Неправильная трасса жгута проводов. Убедиться в том, что отвод к датчику не касается элементов системы выпуска отработавших газов.
Повреждения жгута.
Проверить жгут на наличие повреждений. Если жгут внешне в норме, пошевелить соответствующую колодку и жгут, одновременно наблюдая за показаниями диагностического прибора.
Ненадежное заземление контроллера.
Проверить надежность присоединения проводов жгута системы зажигания к блоку цилиндров. Убедиться в отсутствии загрязнения контактов.
Деградация УДК. Заменить УДК.

Код Р2188 Система топливоподачи слишком богатая на холостом ходу

Код P2188 заносится, если:
- - двигатель работает;
- - управление топливоподачей осуществляется в режиме обратной связи по сигналу управляющего датчика кислорода (B_LR = "Да");
- - активизирована функция адаптации топливоподачи (B_LRA = "Да");
- - значение параметра MSLEAK выходит за нижний предел допустимого диапазона (меньше -5).
Сигнализатор неисправностей загорается на 3-ей поездке после возникновения устойчивой неисправности.
Описание проверок
Последовательность соответствует цифрам на карте.
- 1 Анализируется диагностическая информация.
- 2 На работающем двигателе с помощью диагностического прибора имитируются условия возникновения неисправности.
- 3 Проверяются системы и узлы, неисправность которых может привести к возникновению кода.
- 4 При проведении повторной проверки №2 после устранения возможной причины неисправности значение параметра FR не должно выходить за пределы диапазона 1±0,1.
Диагностическая информация
Неисправность непостоянного характера может быть вызвана наличием следующих неисправностей:
Ненадежное соединение контактов колодок жгута системы зажигания, датчика и контроллера.
Осмотреть разъемы датчика и контроллера, колодки жгута на полноту и правильность сочленения, повреждения замков, наличие поврежденных контактов и качество соединения контактов с проводом.
Неправильная трасса жгута проводов. Убедиться в том, что отвод к датчику не касается элементов системы выпуска отработавших газов.
Повреждения жгута. Проверить жгут на наличие повреждений. Если жгут внешне в норме, пошевелить соответствующую колодку и жгут, одновременно наблюдая за показаниями диагностического прибора.
Ненадежное заземление контроллера. Проверить надежность присоединения проводов жгута системы зажигания к блоку цилиндров. Убедиться в отсутствии загрязнения контактов.
Деградация УДК. Заменить УДК.

Код Р2301 (Р2304) Катушка зажигания цилиндра 1-4 (2-3), замыкание цепи управления на бортовую сеть

Код Р2301 (Р2304) заносится, если:
- - двигатель работает;
- - самодиагностика зафиксировала неисправность.
Сигнализатор неисправностей загорается через 5 с после возникновения кода неисправности.
Описание проверок
Последовательность соответствует цифрам на карте.
- 1 Проверяется наличие постоянной неисправности.
- 2 Проверяется наличие замыкания на бортовую сеть цепи управления катушкой зажигания.
- 3 Проверяется исправность катушки зажигания.
Диагностическая информация
В контроллере МЕ17.9.71 проводится постоянный мониторинг величины тока через катушку зажигания. В случае отсутствия тока или недостаточной его величины фиксируется код неисправности.
