Как отрегулировать зазоры клапанов Камаз
Зазор в клапанном механизме должен гарантировать плотное прилегание клапана к седлу при удлинении стержня от нагревания и в случае осадки головки в седле из-за изнашивания фасок
Сборка блока цилиндров двигателя G4KD и G4KE
Блок цилиндров
Регулировка угла опережения МАЗ
Для регулировки угла опережения впрыскивания топлива на картере маховика предусмотрены два люка (см. рис. 1), а на маховике в двух местах нанесены значения углов
Установка ВМТ двигателя ЗМЗ-406
Поршень 1-го цилиндра устанавливают в положение верхней мертвой точки (ВМТ) такта сжатия для того, чтобы при проведении работ, связанных со снятием цепей привода газораспределительного механизма, не нарушалась установка фаз газораспределения
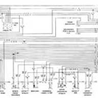
Особенности электрики МАЗ
Система электрооборудования автомобиля МАЗ имеет номинальное напряжение 24 В. Бортовая сеть автомобиля выполнена по однопроводной схеме
Эксплуатация двухдискового сцепления ЯМЗ-238
Сцепление модели ЯМЗ-238 двухдисковое, сухое, фрикционного типа, с периферийным расположением цилиндрических пружин
Моменты затяжки резьбовых соединений ЯМЗ-238
Резьбовое соединение / Момент затяжки Нм (кгс·м)
Болты крепления крышек коренных подшипников:
Конструкция + ремонт + регулировка раздаточной коробки автомобиля Урал
На автомобиле Урал-4320 и его модификациях установлена механическая двухступенчатая раздаточная коробка (рис. 1) с несимметричным межосевым дифференциалом
Неисправности пневмопривода тормозов КамАЗ
Неисправности приборов питания пневмопривода
При обслуживании пневматического привода тормозов автомобиля необходимо убедиться, прежде всего, в герметичности системы
Снятие и установка ГБЦ двигателя объемом 2,0 л. - G4KD и 2,4 л. – G4KE
- - для снятия головки блока цилиндров снимать двигатель не требуется
- - для предотвращения повреждения лакокрасочного покрытия крыльев кузова, необходимо использовать специальное покрытие
- - для предотвращения повреждения головки блока цилиндров, перед ее снятием необходимо дождаться пока двигатель остынет
Страница 2 из 2