Очиститель ветрового стекла типа 32.5205 состоит из моторедуктора, рычагов и щеток
Электродвигатель очистителя — трехщеточный, с возбуждением от постоянных магнитов, двухскоростной.
Для защиты от перегрузок в нем установлен термобиметаллический предохранитель
Очиститель имеет три режима работы, они включаются правым подрулевым переключателем.
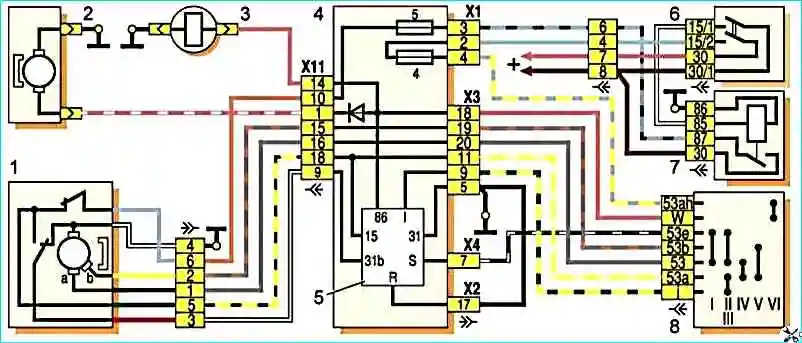
Прерывистый режим обеспечивается электронным реле типа 52.3747 или 525.3747, установленном в монтажном блоке.
Реле также включает малую скорость моторедуктора очистителя при включении омывателя ветрового стекла.
Реле должно обеспечивать включение электродвигателя с частотой 14±4 цикла в минуту при частоте вращения вала моторедуктора не менее 20 мин -1, температуре (20±5)°С и напряжении питания 14±0,2 В.
При работе очистителя на малой скорости в постоянном режиме напряжение питания подводится к диаметрально противоположным щеткам.
При работе очистителя на максимальной скорости «+» питания подводится к щетке, расположенной сбоку.
Неисправный моторедуктор рекомендуется заменять новым (возможна зачистка коллектора, контактов концевого выключателя и замена шестерен).
Погнутые рычаги выправляют. При износе шарниров — заменяют.
Омыватель ветрового стекла состоит из полиэтиленового бачка с электрическим насосом, установленного справа в моторном отсеке, форсунок омывателя, расположенных на капоте, и гибких соединительных шлангов.
Омыватель включается правым подрулевым переключателем, при этом питание подается на электродвигатель насоса и реле очистителя ветрового стекла, которое включает очиститель на малую скорость работы, если он был выключен или работал в прерывистом режиме.
При неисправности насоса его заменяют. Засорившиеся форсунки можно продуть в обратном направлении или прочистить леской.
Электромагнитный клапан омывателя в вертикальном положении (штуцерами вниз) должен срабатывать при напряжении не более 8,5 В. Сопротивление его обмотки при 25°С должно быть (95±б) Ом.
Снятие и установка стеклоочистителя ветрового стекла описана в статье: - «Стеклоочиститель ВАЗ-2109 замена».
Разборка стеклоочистителя

Отверните гайку крепления кривошипа механизма стеклоочистителя.

Снимите кривошип с вала редуктора, поддев его отверткой.

Отверните три болта крепления редуктора с электродвигателем.

Отверните два винта крепления проводов электродвигателя и отсоедините провода от термобиметаллического предохранителя.
Снимите двигатель с кронштейна.

Снимите стопорное кольцо с вала редуктора.

Снимите с вала редуктора регулировочные шайбы.
Промаркируйте регулировочные шайбы, чтобы при сборке установить их на те же места и в том же количестве

Отверните три винта крепления.

При разборке не отворачивайте регулировочный винт, иначе нарушится осевой зазор вала якоря.

Снимите крышку редуктора.

Снимите панель с редуктора.

Выньте шестерню редуктора.

Отверните два винта (второй находится за корпусом редуктора).

Выньте две закладные гайки

Снимите корпус редуктора со щеткодержателем с корпуса электродвигателя

Выньте якорь из корпуса двигателя.
После разборки продуйте корпус электродвигателя сжатым воздухом, чтобы удалить угольную пыль.
Тяги стеклоочистителя неразборной конструкции

Снимите стопорные кольца с обоих валиков механизма стеклоочистителя.

Снимите регулировочные шайбы с обоих валиков механизма стеклоочистителя.

Выньте тяги из кронштейна стеклоочистителя и снимите регулировочные шайбы с обоих валиков

Выньте уплотнительные кольца из проточек с обеих сторон кронштейна