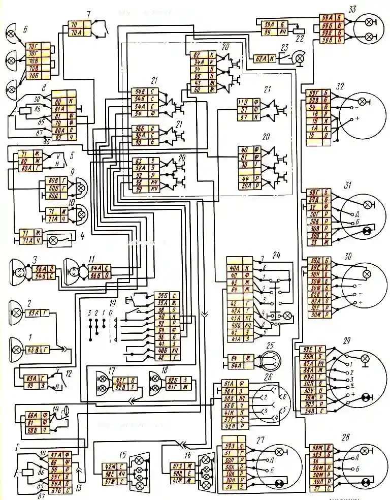
Схема жгутов внутреннего и внешнего освещения Камаз:
1,2 — соответственно правая и левая противотуманные фары, 3,11 — соответственно правая и левая фара головного света, 4 — плафон вещевого ящика, 5 — выключатель плафонов, 6 — фонари автопоезда, 7 — выключатель фонарей автопоезда, 8 — реле электродвигателей отопителя, 9, 10 — соответственно левый и правый плафоны, 12 — выключатель противотуманных фар, 13 — реле сигналов торможения, 14 — выключатель электромагнитного клапана прицепа, 15, 16 — соответственно правый и левый задние фонари, 17, 18 — соответственно правый и левый передние фонари, 19 — комбинированный переключатель света, 20, 21 — предохранители 13.3722 (7,5 А) и ПР310 (10 А), 22 — выключатель освещения приборов, 23 — подкапотная лампа, 24 — выключатель аварийной световой сигнализации, 25 — розетка переносной лампы, 26 — семиконтактная розетка, 27— указатель давления масла, 28 — указатель уровня топлива, 29 — спидометр, 30 — тахометр, 31 — указатель температуры охлаждающей жидкости, 32 — амперметр, 33 — манометр; I — к выключателю приборов и стартера
