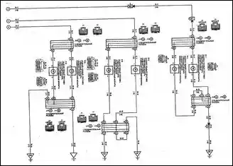
Схема противотуманных фар,задние фонари, модели выпуска с 07/2000г.

 

Выберите язык