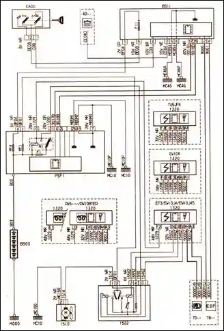
Схема Peugeot 307 Охлаждение двигателя (автоматический кондиционер)

Обозначения на схемах

Выберите язык