Схема управления двигателем В1251 автомобиля Авео Шевролет

Схема 7а. Система управления двигателем 61251: 1,2 - предохранители в моторном отсеке; 3,4 предохранители в панели приборов; 5 - катушка зажигания; 6 - датчик скорости автомобиля; 7 - электронный блок управления двигателем; 8 - датчик положения коленчатого вала

Схема 7б. Система управления двигателем В1251: 1, 2- предохранители в моторном отсеке; 3 - главное реле; 4 - реле топливного насоса; 5, 6, 7,8 - форсунки; 9 -ТОПЛИВНЫЙ насос; 10 - электронный блок управления двигателем; 11- диагностический датчик концентрации кислорода; 12 - управляющий датчик концентрации кислорода

Схема 7в. Система управления двигателем В1251: 1- Привод холостого хода; 2 - клапан рециркуляции отработавших газов; 3-датчик температуры охлаждающей жидкости; 4-датчик ускорения; 5-электронный блок управления двигателем; 6-датчик абсолютного давления во впускной трубе; 7- датчик температуры воздуха; 8-датчик давления в системе кондиционирования; 9-датчик температуры испарителя; 10- датчик детонации

Схема 7г. Система управления двигателем В1251: 1-предохранитель в моторном отсеке; 2- предохранитель панели приборов; 3 главное реле; 4- комбинация приборов; 5- клапан рециркуляции отработавших газов; 6-электронный блок управления двигателем; 7- топливный насос; 8- контроллер АКП

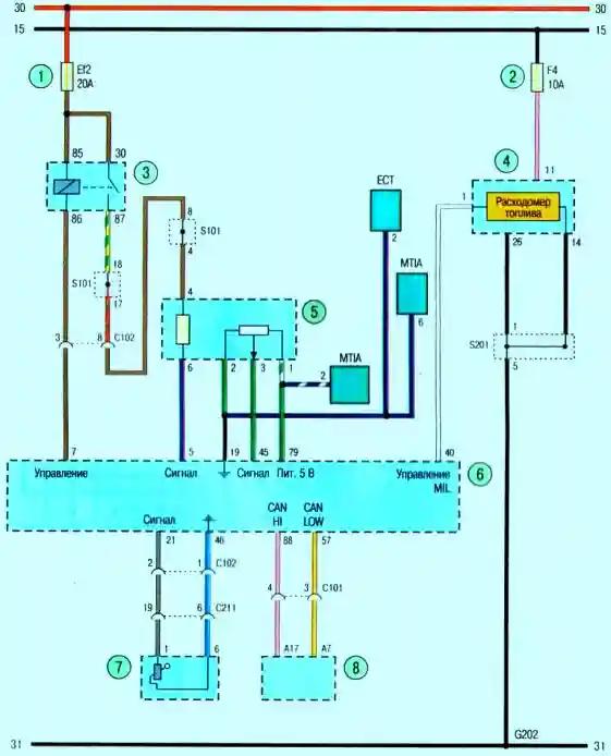
Схема 7д. Система управления двигателем В1251: 1- предохранитель в моторном отсеке; 2, 3- предохранители в панели приборов; 4-главное реле; 5- комбинация приборов; 6- контроллер АКП; 7-контроллер системы управления скоростью автомобиля; 8- клапан продувки абсорбера; 9-датчик положения коленчатого вала; 10-электронный блок управления двигателем; 11- датчик скорости

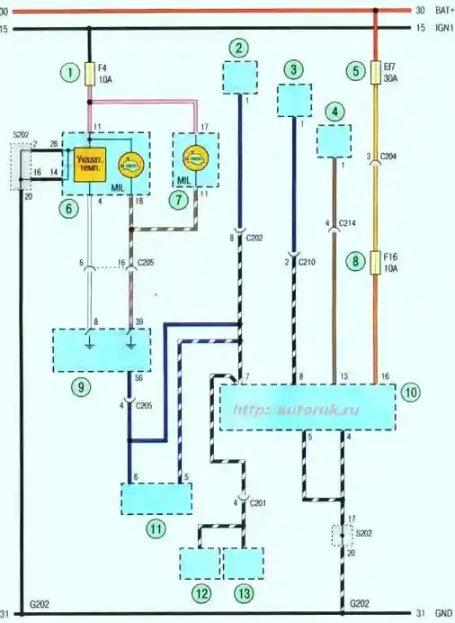
Схема 7е. Система управления двигателем В1251: 1, 8 - предохранители в панели приборов; 2- контроллер 4кп;3- контроллер противоугонной системы; 4-контроллер системы подушек безопасности; 5—предохранитель в моторном отсеке: 6-комбинация приборов; 7-дополнительный дисплей в панели приборов; 9-электронный блок управления двигателем; 10-диагностический разъем; 11- контроллер системы иммобилизатора; 12- гидравлический блок ABS; 13- контроллер ABS

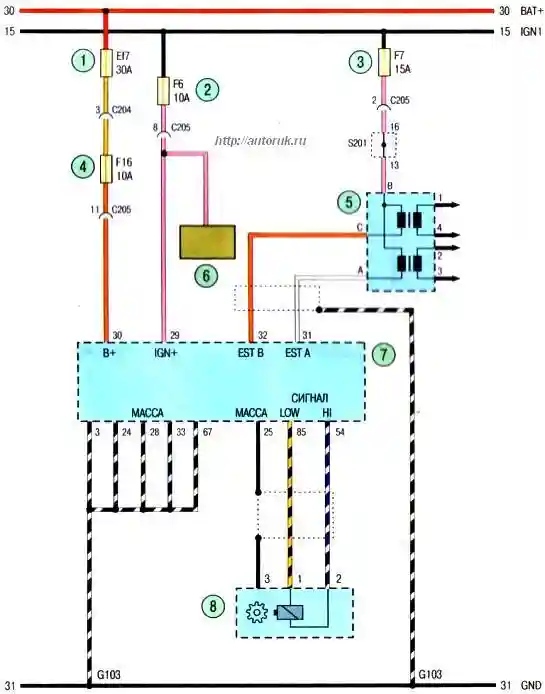
Схема 7ж. Система управления двигателем В1251: 1-предохранитель в моторном отсеке; 2- предохранитель в панели приборов; 3- реле низких оборотов вентилятора системы охлаждения; 4- реле вентилятора системы охлаждения; 5- реле высоких оборотов вентилятора системы охлаждения; 6 - дополнительный вентилятор системы охлаждения; 7- электронный блок управления двигателем; 8-основной вентилятор системы охлаждения