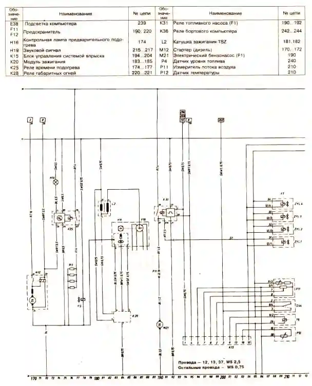
Схема № 5 Опель Кадетт Д

Выберите язык