Схема системы управления двигателем автомобиля Daewoo Lanos
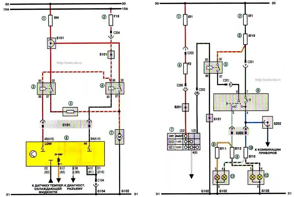
Схема 2е. Система управления двигателем (окончание): 1 - плавкая вставка (30 А); 2 - плавкая вставка (80 А); 3 - реле дополнительного вентилятора системы охлаждения двигателя; 4 - реле основного вентилятора системы охлаждения двигателя; 5 - резистор; 6 - электронный блок управления двигателем; 7 - электровентилятор системы
Схема За. Соединения приборов освещения (начало): 1,2 - плавкие вставки (80 А); 3 - плавкая вставка (25 А); 4, 8,9 - предохранители (10 А); 5 - реле противотуманных фар; 6 - переключатель указателей поворота и света фар;7 - переключатель наружного освещения; 10 - плавкая вставка (20 А); 11 - фара левая; 12 - фара правая
