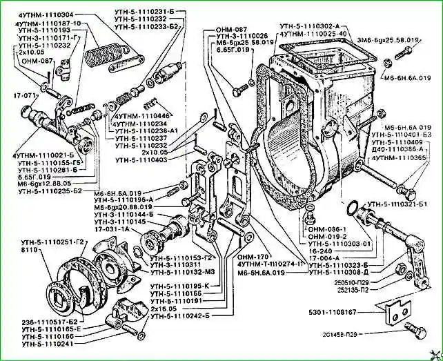
Регулятор топливного насоса высокого давления ЗИЛ-5301
На рисунке представлены места установки деталей и их обозначения по каталогу запасных частей
Смотрим по рисунку и в таблице указана расшифровка детали

Детали регулятора топливного насоса высокого давления Д-245 по каталогу
- 16-240 Кольцо уплотнительное
- 17-004-А Манжета
- 17-031-1А Шарикоподшипник 8202У
- 17-071 Заглушка
- 201458-П29 Болт
- 236-1110517-Б2 Сухарь
- 245-1111213 Рычаг промежуточный
- 250510-П29 Гайка
- 252135-П2 Шайба пружинная
- 2х10.05 Шплинт
- 2х16.05 Шплинт
- 3М6-6gх25.88.019 Болт
- 4УТН-1110230 Корректор в сборе
- 4УТНМ-1110020-30 Корпус в сборе
- 4УТНМ-1110021-Б Втулка
- 4УТНМ-1110025-40 Корпус
- 4УТНМ-1110187-10 Пружина
- 4УТНМ-1110234 Пружина
- 4УТНМ-1110304 Тяга
- 4УТНМ-1110365 Ось
- 4УТНМ-1110446 Пружина
- 4УТНМ-Т-1110010-01 Регулятор в сборе
- 4УТНМ-Т-1110290-10 Рычаг в сборе
- 4УТНМ-Т-П10274-11 Рычаг основной
- 5301-1108167 Кронштейн
- 6.65Г.019 Шайба
- 8110 Шарикоподшипник
- Д40-111386-А Прокладка
- М6-6gх12.88.05 Болт
- М6-6gх20.88.019 Болт
- М6-6gх25.88.019 Болт
- М6-6Н.6А.019 Гайка
- ОНМ-019-2 Болт
- ОНМ-086-1 Прокладка
- ОНМ-087 Палец
- ОНМ-170 Втулка
- УТН-3-1110026 Упор
- УТН-3-1110144-Б Муфта
- УТН-3-1110145 Втулка
- УТН-3-1110171-Г Серьга
- УТН-3-1110311-Б Кольцо
- УТН-5-1110132-М3 Ступица
- УТН-5-1110140 Муфта в сборе
- УТН-5-1110153-Г2 Пята
- УТН-5-1110155-Г5 Рычаг пружины
- УТН-5-1110160-В Груз в сборе
- УТН-5-1110165-Е Груз
- УТН-5-1110166 Втулка
- УТН-5-1110191 Ось ролика
- УТН-5-1110193 Пружина
- УТН-5-1110195-К Рычаг промежуточный
- УТН-5-1110196-А Шпилька
- УТН-5-1110200-В Рычаг промежуточный в сборе
- УТН-5-1110231-Б Корпус
- УТН-5-1110232 Прокладка
- УТН-5-1110233-Б2 Шток
- УТН-5-1110235-Б2 Винт
- УТН-5-1110237 Скоба
- УТН-5-1110238-А1 Тарелка
- УТН-5-1110240-И Ступица в сборе
- УТН-5-1110241 Ось грузов
- УТН-5-1110251-Г2 Шайба
- УТН-5-1110281-Б Втулка
- УТН-5-1110301-А Прокладка
- УТН-5-1110302-А Прокладка
- УТН-5-1110303-01 Прокладка
- УТН-5-1110308-Д Рычаг управления
- УТН-5-1110320-В Втулка в сборе
- УТН-5-1110321-Б1 Втулка
- УТН-5-1110323-Б Обойма
- УТН-5-1110401-Б3 Винт
- УТН-5-1110403 Палец
- УТН-5-1110409 Заглушка
- УТН-5-111242-Б Шайба
- УТН-5-111281-Б Втулка