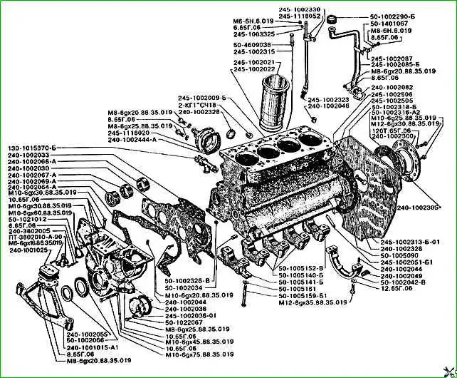
На рисунке представлены места установки деталей и их обозначения по каталогу запасных частей.

Смотрим по рисунку и в таблице указана расшифровка детали
№ детали Название детали
- 10.65Г.06 Шайба
- 12.65Г.06 Шайба
- 120Т.65Г.06 Шайба
- 130-1015370-Б Кран сливной в сборе
- 2-КГ1"СЧ18 Пробка
- 240-1001010-А Опора в сборе
- 240-1001015-А1 Опора
- 240-1001025 Амортизатор
- 240-1002030 Щит
- 240-1002033 Прокладка
- 240-1002038 Прокладка
- 240-1002044 Штифт
- 240-1002046 Штифт
- 240-1002049 Прокладка
- 240-1002055 Манжета
- 240-1002060-А Крышка шестерен в сборе
- 240-1002064-А Прокладка
- 240-1002065-А Крышка шестерен
- 240-1002067-А Втулка
- 240-1002068-А Втулка
- 240-1002069-А Втулка
- 240-1002082-А Прокладка
- 240-1002300 Корпус манжеты
- 240-1002305 Манжета
- 240-1002314 Прокладка
- 240-1002328 Заглушка
- 240-1002444-А Прокладка
- 240-3802005 Болт
- 245-1002001 Блок цилиндров в сборе
- 245-1002009-Б Блок цилиндров с крышками подшипников и втулками в сборе
- 245-1002021 Гильза блока цилиндров
- 245-1002022 Кольцо гильзы
- 245-1002036-01 Крышка
- 245-1002051-Б1 Трубка
- 245-1002080 Горловина в сборе
- 245-1002085-Б Горловина
- 245-1002087 Упор
- 245-1002313-Б-01 Лист
- 245-1002315 Указатель уровня масла
- 245-1002323 Штуцер
- 245-1002325 Трубка
- 245-1002330 Планка
- 245-1002505 Фланец подводящий
- 245-1002506 Прокладка
- 245-1118020 Крышка
- 245-1118052 Хомут
- 45-08кпЦ9Хр Заглушка
- 50-1002034 Штифт установочный
- 50-1002042-В Опора картера
- 50-1002045-Б Опора картера в сборе
- 50-1002066 Маслоотражатель
- 50-1002290-Б Крышка
- 50-1002316-А2 Прокладка
- 50-1002318-Б Рым
- 50-1002326-В Заглушка
- 50-1005019 Штифт
- 50-1005140-Б Крышка коренного подшипника
- 50-1005141-Б Крышка 1-го подшипника
- 50-1005152-В Крышка 5-го подшипника
- 50-1005159-Б1 Болт
- 50-1005161 Шайба
- 50-1021012 Прокладка
- 50-1022067 Кольцо уплотнительное
- 50-1401067 Шайба
- 50-4609038 Кольцо уплотнительное
- 6.65Г.06 Шайба
- 8.65Г.06 Шайба
- КР2-1305000 Кран ПС7-О
- М10-6gх20.88.35.019 Болт
- М10-6gх25.88.35.019 Болт
- М10-6gх30.88.35.019 Болт
- М10-6gх45.88.35.019 Болт
- М10-6gх60.88.35.019 Болт
- М10-6gх75.88.35.019 Болт
- М12-6gх30.88.35.019 Болт
- М12-6gх35.88.35.019 Болт
- М6-6gх16.88.35.019 Болт
- М6-6Н.6.019 Гайка
- М8-6gх20.88.35.019 Болт
- М8-6gх25.88.35.019 Болт
- М8-6Н.6.019 Гайка
- ПТ-3802010-А-90 Привод спидометра