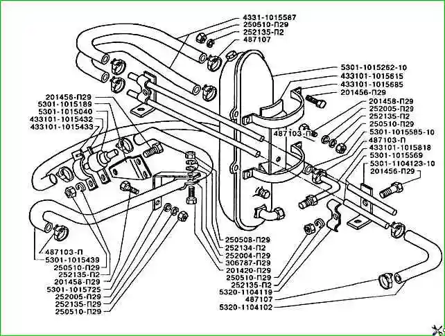
Die Abbildung zeigt die Einbauorte der Teile und deren Bezeichnungen gemäß Ersatzteilkatalog
Sehen Sie sich das Bild an und die Tabelle zeigt die Aufschlüsselung der Details

Montagedetails des Heizungsstromversorgungssystems ZIL-5301 gemäß Katalog
- 201420-P29 Bolzen
- 201456-P29 Bolzen
- 201458-P29 Bolzen
- 250508-P29 Mutter
- 250510-P29 Mutter
- 252004-P29 Unterlegscheibe
- 252005-P29 Unterlegscheibe
- 252134-P2 Federscheibe
- 252135-P2 Federscheibe
- 300401-P29 Einschraubwinkel
- 306787-P29 Klemme
- 401507 Nippel
- 4331-1015587 Schlauch 10x300
- 4331-1104525 Schutzhülle für Kraftstoffleitungs-Befestigungsschelle
- 433101-1015432 Rechte Klemmhälfte
- 433101-1015433 Linke Klemmhälfte
- 433101-1015615 Kraftstofftankhalterung
- 433101-1015685 Kraftstofftankklemme
- 433101-1015818 Kraftstoffleitungsbaugruppe
- 487103-P Klemme
- 487107 Klemme
- 5301-1015040 Kraftstoffpumpe der Heizung
- 5301-1015189 Dosierpumpenhalterung
- 5301-1015262-10 Kraftstofftankbaugruppe der Startheizung
- 5301-1015439 Schlauch
- 5301-1015569 Kraftstoffleitung
- 5301-1015585-10 Schlauch
- 5301-1015725 Kraftstoffrohrhalterung
- 5301-1104123-10 Halterung zur Befestigung von Kraftstoffleitungen
- 5320-1104102 Verbindungsschlauch für Kraftstoffleitungen
- 5320-1104119 Kraftstoffleitungs-Montagehalterung