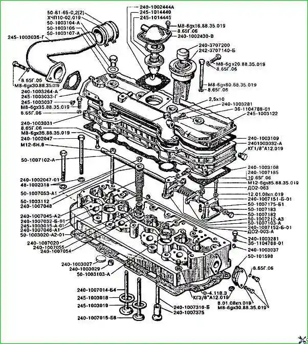
Суретте қосалқы бөлшектер каталогына сәйкес бөлшектерді орнату орындары мен олардың белгілеулері көрсетілген.
Суретке қараңыз және кестеде бөліктің бөлінуі көрсетілген.

Каталогқа сәйкес ZIL-5301 цилиндр қақпағының бөліктері
Бөлшек нөмірі Бөлік атауы
- 10.65G.06 кір жуғыш машина
- 12.01.08kp.019 Жуғыш
- 2,5x10 түйреуіш
- 240-1002047 болт
- 240-1002047-01 болт
- 240-1002430-B Тыныс алу корпусы
- 240-1002444-A тығыздағыш
- 240-1003027 аша
- 240-1003029 Втулка
- 240-1003031 тығыздағыш
- 240-1003032-A Цилиндр қақпағы
- 240-1003037 аша
- 240-1003108 тығыздағыш
- 240-1003109 тығыздағыш
- 240-1003264-A тығыздағыш
- 240-1003281 Тоқтатқыш
- 240-1007014-B4 Кіріс клапаны
- 240-1007015-B6 Шығару клапаны
- 240-1007020 Тығыздағыш манжет
- 240-1007032-B-01 Втулка
- 240-1007045-A2 Сыртқы клапан серіппесі
- 240-1007046-A1 Ішкі клапан серіппесі
- 240-1007048 Клапан серіппесі ұстағышы
- 240-1007054 Төменгі клапан серіппелі шайба
- 240-1007055 Клапан серіппелі жоғарғы шайба
- 240-1007151-B-01 Рокердің тірегі осінің сыртқы тірегі
- 240-1007152-B-01 Ортаңғы рокер осі тірегі
- 240-1007185 Ұстағыш
- 240-1007310-B таяқша
- 240-1007375 Итергіш
- 240-3707200 тығын
- 242-3707140-B танкі
- 245-1003011-01 Цилиндр басы жинағы
- 245-1003015-A-01 Цилиндр басы
- 245-1003018 Қабылдау клапанының орны
- 245-1003019 Шығару клапанының орны
- 245-1003030-G Цилиндр қақпағының жинағы
- 245-1003033-G коллекторы
- 245-1003035-G Тармақ құбыры
- 245-1003037 Футорка
- 245-1003122 қалпақ
- 245-1014440 Шыны
- 245-1014445 Май дефлекторы
- 245-3707220-A-01 Штепсельдік жинағы бар резервуар
- 36-1104788-01 Тығыздауыш
- 48-1002318 Жуғыш
- 50-1003020-A2-01 Басты тығыздағыш
- 50-1003103-A шыны
- 50-1003104-A Қақпақты гайка
- 50-1003106 Жуғыш
- 50-1003107-A сақина
- 50-1003112 Сөре түйреуіш
- 50-1007053-A1 Клапан ұстағышы
- 50-1007102-A осі
- 50-1007103-A Рокер осінің серіппесі
- 50-1007170-B Гайка жинағы бар реттеу бұрандасы
- 50-1007175-B1 Реттеу бұрандасы
- 50-1007182 Рокер білігінің тығыны
- 50-1007183 Штепсельдік шайба
- 50-1007212-A3 Рокер
- 50-1015598 Тығыздауыш
- 50-61-65-0.2(2) Жең деталь
- 8.01.08kp.019 Жуғыш
- 8.65G.06 кір жуғыш машина
- DO2-003-A штепсель
- DO2-063 гайка
- KG1/8"A12.019 Тоқтатқыш
- KG3/8"A12.019 Тоқтатқыш
- М12-6gх85.88.35.019 Болт
- М12-6Н.6 гайка
- М8-6гх16.88.35.019 Болт
- М8-6гх20.88.35.019 Болт
- М8-6gх30.88.35.019 Болт
- М8-6gх35.88.35.019 Болт
- М8-6gх80.88.35.019 Болт
- F-4.118.3 сақинасы
- KhChP10-02.019 Қысқыш